-
Affaire Epstein: Charles III et William sortent de leur réserve et mettent la pression sur Andrew
-
Israël sous le feu des critiques pour ses mesures visant à contrôler davantage la Cisjordanie
-
Gaza: Israël dit avoir tué quatre combattants palestiniens qui sortaient d'un tunnel à Rafah
-
BCE et Bundesbank plaident pour une politique monétaire prudente malgré l'incertitude
-
Ghislaine Maxwell, la complice d'Epstein, exige une grâce de Trump pour répondre aux questions du Congrès
-
Procès de l'ex-président kosovar pour crimes de guerre : 45 ans de prison requis
-
Violences contre des "gilets jaunes" dans un Burger King: à leur procès, des CRS admettent avoir manqué de "lucidité"
-
A Cuba, la vie au ralenti faute de carburant
-
En Arménie, JD Vance dit "oeuvrer pour la paix" avant une visite en Azerbaïdjan
-
ChatGPT, mauvais docteur ? Une étude met en cause la capacité des IA à poser un diagnostic
-
Von der Leyen défend le "Made in Europe" pour soutenir les industries clés
-
Ligue 1: en perdition, Rennes écarte Beye et espère Haise
-
"Snipers du week-end" à Sarajevo: un premier suspect interrogé en Italie
-
JO: Cizeron et Fournier Beaudry attendus sur la glace
-
Morandini se retire de l'antenne de CNews après la polémique liée à ses condamnations
-
Affaire Epstein/Mandelson: la pression monte sur Keir Starmer, qui exclut de démissionner
-
François Villeroy de Galhau écourte son mandat de gouverneur de la Banque de France
-
Les Portoricains célèbrent l'un des leurs, Bad Bunny, vedette du Super Bowl
-
Violences contre des "gilets jaunes" dans un Burger King: neuf CRS jugés à Paris
-
A Paris, Grégoire dévoile son plan pour adapter la ville au réchauffement climatique
-
Décès d'une femme aux urgences: l'AP-HP relaxée malgré une "faute de négligence" reconnue
-
Morandini annonce se "retirer de l'antenne" de CNews après la polémique liée à son maintien
-
JO: les Suisses Franjo von Allmen et Tanguy Nef en or dans le combiné par équipes
-
Espagne: les conducteurs de train en grève après les accidents mortels de janvier
-
Affaire Epstein/Mandelson: Starmer exclut de démissionner, "se concentre sur son travail"
-
L'UE prévient Meta qu'il doit ouvrir WhatsApp aux services d'IA concurrents
-
A Wine Paris, Macron promet de défendre le vin français à l'export
-
"Nazi sans prépuce": pas de jugement dans l'affaire Meurice, l'affaire renvoyée à un nouveau procès
-
Avec son nouveau président, le Portugal a fait le choix de la stabilité
-
Ligue 1: en perdition, Rennes finit par écarter Beye
-
Parallèlement aux tractations diplomatiques, l'Iran accentue la répression
-
Quand les patrons ne disent plus merci Macron
-
Thaïlande: revers historique pour le Pheu Thai, des interrogations sur l'avenir du parti
-
Eramet: "enquête indépendante" sur des "pratiques de management", le directeur financier suspendu
-
Le prince William en Arabie saoudite pour trois jours, une visite assombrie par l'affaire Epstein
-
IA: le nouveau modèle de création de vidéo de Bytedance envahit les réseaux
-
Japon: nouvel essai de redémarrage de la plus grande centrale nucléaire du monde
-
Décès d'une patiente aux urgences: l'AP-HP fixée lundi sur son sort, la relaxe requise
-
Détection des PFAS, une nouvelle ligne dans la facture d'eau
-
Japon: Takaichi promet un "important changement de politique" après son succès électoral
-
SpaceX donne la priorité à la Lune pour y établir une base, devant Mars
-
Australie: heurts entre police et manifestants propalestiniens lors de la visite d’Isaac Herzog
-
Ghislaine Maxwell, la complice d'Epstein, témoigne à huis clos au Congrès
-
Trompés, traumatisés: le calvaire des Kényans enrôlés de force par l'armée russe
-
La Bourse de Paris prudente avant des indicateurs américains attendus dans la semaine
-
Japon: l'ultra-conservatrice Sanae Takaichi a maintenant les coudées franches
-
Thaïlande: Le Premier ministre victorieux grâce au nationalisme
-
Le président israélien en visite en Australie pour un hommage aux victimes de l'attentat de Bondi
-
"Nazi sans prépuce": jugement attendu sur le licenciement de Guillaume Meurice, ex-France Inter
-
Le haut-commissaire au Plan Clément Beaune propose 30% de droits de douane pour la Chine
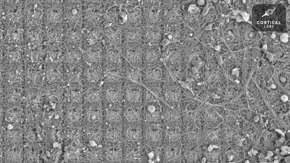
Des neurones doués de sensations ont appris à jouer à un jeu vidéo
Des neurones cultivés dans une boîte de Petri sont capables d'apprendre à jouer à Pong, le grand classique des jeux vidéo, faisant ainsi preuve d'un "comportement intelligent et doué de sensations", selon des chercheurs en neurosciences australiens.
Cette étude, publiée mercredi dans la revue scientifique Neuron, ouvre la voie à un nouveau type de recherches qui pourraient un jour se servir de neurones pour traiter des informations, sorte de machines biologiques qui épauleraient les ordinateurs numériques, selon le chercheur ayant mené les recherches, Brett Kagan.
"Les machines sont incapables d'apprendre très rapidement des choses. Pour qu'un algorithme de +machine learning+ (l'apprentissage automatique, une technique d'intelligence artificielle, NDLR) apprenne quelque chose, il a besoin de milliers d'échantillons de données", a-t-il expliqué.
Tandis qu'"un chien peut apprendre un tour en deux ou trois essais", note-t-il.
Les neurones sont au fondement de l'intelligence chez tous les animaux, des insectes aux humains.
Pour leur expérience, visant à découvrir s'il était possible d'exploiter l'intelligence inhérente des neurones, Brett Kagan et ses collègues ont prélevé des neurones de cerveaux embryonnaires de souris ainsi que des neurones issus de cellules souches d'humains adultes.
Ils ont ensuite cultivé ces neurones autour de matrices de microélectrodes capables de détecter leur activité et de les stimuler. Les expériences ont concerné des amas d'environ 800.000 neurones, la taille du cerveau d'un bourdon.
Dans une sorte de version simplifiée du jeu de tennis Pong, un signal était ensuite envoyé depuis la droite ou la gauche pour indiquer l'emplacement d'une balle et l'amas de neurones, baptisé par les chercheurs "DishBrain" (ou cerveau en boîte en français), répondait par un autre signal pour déplacer la raquette.
- "Principe de l'énergie libre" -
Un des principaux obstacles était de trouver comment amener les neurones à apprendre une tâche.
De précédents travaux avaient suggéré de les gratifier d'une dose d'"hormone du bonheur", la dopamine, à chaque action correcte -- mais cela s'est révélé difficile à accomplir avec la vitesse nécessaire.
A la place, l'équipe du Dr Kagan s'est appuyée sur la théorie dite du "principe de l'énergie libre" introduite il y a plus de dix ans par Karl Friston, l'auteur principal de l'étude publiée mercredi, et selon laquelle les cellules cherchent instinctivement à minimiser l'imprévisibilité de leur environnement.
Quand les neurones parvenaient à frapper la balle à l'aide de la raquette, ils recevaient donc une information prévisible indiquant leur réussite. Mais quand ils rataient leur coup, le signal reçu était aléatoire, imprévisible.
"La seule façon pour les neurones de faire en sorte que leur monde reste contrôlable et prévisible était de mieux réussir à toucher la balle", a détaillé Brett Kagan.
Son équipe considère que DishBrain est "sensible" -- ce qu'ils définissent comme étant capable de percevoir des informations sensorielles et d'y répondre de façon dynamique --, mais ne vont pas jusqu'à parler de "conscience", ce qui implique d'avoir conscience de sa propre existence.
Ce "cerveau en boîte" s'est même essayé au jeu qui remplace le moteur de recherche de Google en cas d'absence de connexion internet, qui consiste à faire courir un dinosaure parmi des obstacles, et les premiers résultats ont été encourageants, a indiqué Brett Kagan.
Les scientifiques veulent ensuite tester la manière dont des médicaments et l'alcool affectent l'intelligence de ces neurones, mais le Dr Kagan est surtout enthousiaste à l'idée de la possibilité de développer des ordinateurs biologiques.
"C'est (une expérience de) neurosciences rigoureuse et intéressante", estime Tara Spires-Jones, de l'université d'Edimbourg, qui n'a pas participé à l'étude.
"Pas d'inquiétude, même si ces boîtes de neurones peuvent modifier leurs réponses lorsqu'elles sont stimulées, ce ne sont pas des boîtes douées d'intelligence de type science fiction, ce sont de simples (bien qu'intéressants et importants d'un point de vue scientifique) réponses de circuit", rassure-t-elle.
I.Saadi--SF-PST